计量论坛

 找回密码
 立即注册

QQ登录

只需一步,快速开始

搜索

[工程参量] 平面测量问题

[复制链接]
习峰 发表于 2009-7-21 10:43:56 | 显示全部楼层 |阅读模式
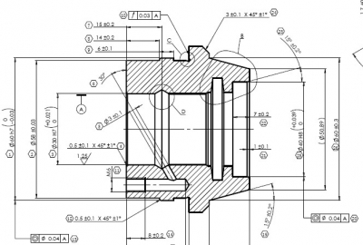
如图片上编号10的单跳动怎么测量!中国国家标准上没有这样的标法。图纸是老外的。具体的意思怎么样理解呢?产品出去老是有退货,就是说平面跳动不合格。测量工具三座标。
Image00000.jpg
yj407 发表于 2009-7-21 13:34:29 | 显示全部楼层
這是端面圓跳動﹐用三座標很好測的。

1﹑測量圓柱A ﹐以圓柱建投影(設X工作平面)并歸Y﹐Z零點。
2﹑用自動測量平面的方法﹐在被測平面上分別打三圈點﹐得三個平面。分別評價這三個平面相對于基准A的跳動﹐取最大值為最終評定結果。
 楼主| 习峰 发表于 2009-7-22 10:48:58 | 显示全部楼层
這是端面圓跳動﹐用三座標很好測的。

1﹑測量圓柱A ﹐以圓柱建投影(設X工作平面)并歸Y﹐Z零點。
2﹑用自動測量平面的方法﹐在被測平面上分別打三圈點﹐得三個平面。分別評價這三個平面相對于基准A的跳動﹐取最大值 ...
yj407 发表于 2009-7-21 13:34

谢谢斑竹热情的解答。我们是海克斯康的机器,软件是PC-DMIS4.2的。圓柱A 和平面测量好后无法评价呀!斑竹的意思是不是先测量好圓柱A 后,投影到要被测量的平面上,然后在被测跳动的平面上打3圈点,构建3个平面。用这3个平面对圓柱A 的投影平面进行评价呢
yj407 发表于 2009-7-22 11:39:12 | 显示全部楼层
本帖最后由 yj407 于 2009-7-22 11:42 编辑

PC-DIMS有評價跳動的功能啊﹗點選菜單﹕INSERT-DIMENSION-RUNOUT 就可以評價跳動了 ,要先選面再遷圓柱.
     因為圖面要求的是端面圓跳動﹐如果直接打整個平面的話就成的全跳動的﹐值會偏大﹐所以建義打三層點取三個平面分別評價后取最大值。
 楼主| 习峰 发表于 2009-7-22 14:26:39 | 显示全部楼层
这个图片是海克斯康给的!我不会测量和评价,希望斑竹能帮助我,谢谢!
13.jpg
14.jpg
yj407 发表于 2009-7-22 18:58:50 | 显示全部楼层
先打圆柱,再打平面。然后按下图来评价。
Runout.JPG
 楼主| 习峰 发表于 2009-7-23 08:21:27 | 显示全部楼层
斑竹给的是全跳动,这个这样测量是可以评价的。但是图纸上要求是单跳动,这样的测量和评价是不是一样的呢!软件就是不能评价单跳动,非常郁闷呢
yj407 发表于 2009-7-23 10:24:44 | 显示全部楼层
PC-DIMS 評價全跳動和單向跳動是一樣的﹐就看你選擇的元素是什么了。所以我是讓你按圓周方向打一圈點得一平面然后再評價跳動﹐那不就是單向跳動了嗎﹖然后打三層﹐取最大值即可。
  PC-DIMS軟件就是這樣的﹐比如你要是評價圓度﹐你選的圓素是圓的話那評出來的就是圓度﹐你要是選的是圓柱的話那評價的就是圓柱度了。
scany 发表于 2009-7-23 10:46:09 | 显示全部楼层
这个尺寸更简单的方法是穿芯棒,打表,比三坐标的要准确
scany 发表于 2009-7-23 10:47:23 | 显示全部楼层
三坐标不是万能的,三坐标再测量都是点,而不是整个面!
打表,多打几个截面.
三坐标评价可以评价垂直度,面对A的垂直度
 楼主| 习峰 发表于 2009-7-23 11:41:32 | 显示全部楼层
PC-DIMS 評價全跳動和單向跳動是一樣的﹐就看你選擇的元素是什么了。所以我是讓你按圓周方向打一圈點得一平面然后再評價跳動﹐那不就是單向跳動了嗎﹖然后打三層﹐取最大值即可。
  PC-DIMS軟件就是這樣的﹐比如你要 ...
yj407 发表于 2009-7-23 10:24

现在理解斑竹的意思了!应该是最佳办法,谢谢斑竹指导:victory:
 楼主| 习峰 发表于 2009-7-23 11:43:12 | 显示全部楼层
三坐标不是万能的,三坐标再测量都是点,而不是整个面!
打表,多打几个截面.
三坐标评价可以评价垂直度,面对A的垂直度
scany 发表于 2009-7-23 10:47

垂直度测量值和跳动的数据是一样的吗?
规矩湾锦苑 发表于 2009-7-23 23:29:00 | 显示全部楼层
本帖最后由 规矩湾锦苑 于 2009-7-23 23:33 编辑

10楼说的有道理。用三坐标测量机测量跳动违反了跳动误差的定义。端面跳动是圆跳动的一种。GB/T1958-2004《形位公差 检测规定》5.4.1条给圆跳动的定义是“被测提取要素绕基准轴线做无轴向移动回转一周时,由位置固定的指示计在给定方向上测得的最大值与最小值之差”。显然用三坐标测量机无法实现定义规定的被测提取要素绕基准轴线做无轴向移动回转一周(因为被测要素是固定的,除非是四坐标有旋转轴),也无法实现由位置固定的指示计在给定方向上测量(因为三坐标测量机的测头是动态的)。三坐标测量机只能实现该标准3.3条规定的形位误差测量5种检测原则的其余4种,唯有“测量跳动原则”不能实现,所以你们的“产品出去老是有退货,就是说平面跳动不合格”是事出必然。
yj407 发表于 2009-7-24 08:39:28 | 显示全部楼层
三座標軟件是可以評價跳動的。比如圓跳動﹐基准軸線旋轉時﹐指示計在補測物體的打表﹐得出的最大與最小值之差即為圓跳動。從此定意完全可以得出圓跳動其實就是指被測要素上的每個點到基准軸線的極半徑的最大最小值之差﹐就是圓跳動﹐同樣還可的計算圓柱方向的全跳動。這個算法在用計算很好實現的。PC-DIMS 軟件的算法就是這樣做的。
        至于端面全跳動無非是被測要素所有點至回轉中心軸線方向的最大值和最小值之差。
        打表法是要比用三座標量得准一些﹐因為打表法是連續打點﹐而三座標是觸測采點﹐采的點會比打表法要少。再加上其它的算法誤差其精度是要比打表法差。只要打的點足夠﹐測量0.03MM的精度還是可以的。
        三座標是一種方便快捷的工具﹐許多歐美企大型企業都几乎將三座標當做他們工件檢測的唯一工具﹐我估計樓主的客戶也是用三座標測的﹐這個端面跳動超差我估計主要是垂直度超差了。當然也可以用打表法對測量結果進一步確認。
规矩湾锦苑 发表于 2009-7-24 17:12:51 | 显示全部楼层
本帖最后由 规矩湾锦苑 于 2009-7-24 17:14 编辑

是的,三坐标测量机测量跳动只能是近似的方法。因为三坐标测量机在测量跳动时采用的形位误差检测原则是GB/T1958-2004《形位公差 检测规定》3.3条规定的5种检测原则中的“测量坐标值的原则”,通过计算得到跳动误差,而不是标准规定的应该使用“测量跳动原则”来测量圆跳动和全跳动。由于采用的测量原则违背了标准规定,无论计算软件多先进。都将出现了以下差异:
1.“测量跳动原则”是连续的测量,是对被测要素的全面测量,“测量坐标值的原则”是断续的采点测量,是对被测要素的局部测量,以局部代替全部。采点的数量越少,二者测量结果差异越明显,特别是被测要素圆周方向波浪起伏较大时,测量结果的差异更明显。
2“测量跳动原则”对于基准要素的体现是采用模拟基准法实现的,“测量坐标值的原则”对于基准要素的体现是通过对被测实际基准要素采点,用最小区域法或者最小二乘法拟合评价得到的理想基准要素。如果基准实际要素加工不理想,二者测量结果差异明显。特别是拟合的基准要素和模拟的基准要素存在较大夹角时更甚。
3.“测量跳动原则”是被测要素绕基准轴线做无轴向移动回转一周,由位置固定的指示计完成测量,测头运动轨迹是理想的圆,用“测量坐标值的原则”测量时,测头所走过的轨迹不可能实现理论圆周运动,在采点时测头离轴心线的距离时大时小。如果端面与轴心线的垂直度差,或者被测端面的平面度差,二者测量结果差异更明显。
lwj20040206 发表于 2009-9-21 06:03:04 | 显示全部楼层
这是端面跳动,很简单,只要以孔中心为轴,旋转,测量端面的跳动
szautumn 发表于 2009-11-16 16:52:43 | 显示全部楼层
可以用圆度仪测啊,竖过来装在旋转工作台上.
或者用最为简单的方法,穿心轴,夹在偏摆仪上,用杠杆表打端面跳动.
0.03,这个精度指标并不高,用第二种方法应该可以了,成本也低.
lsytym 发表于 2009-11-16 21:34:15 | 显示全部楼层
穿在芯轴上,在偏摆仪上打表
您需要登录后才可以回帖 登录 | 立即注册

本版积分规则

小黑屋|Archiver|计量论坛 ( 闽ICP备06005787号-1—304所 )
电话:0592-5613810 QQ:473647 微信:gfjlbbs闽公网安备 35020602000072号

GMT+8, 2025-10-19 01:25

Powered by Discuz! X3.4

Copyright © 2001-2023, Tencent Cloud.

快速回复 返回顶部 返回列表