计量论坛

 找回密码
 立即注册

QQ登录

只需一步,快速开始

搜索

[几何量仪器] 请玩长度的高手进来看一下。

[复制链接]
zltjc 发表于 2010-2-23 16:00:10 | 显示全部楼层 |阅读模式
提示: 作者被禁止或删除 内容自动屏蔽
桃李满天下 发表于 2010-2-23 16:17:30 | 显示全部楼层
请问楼主你要测量什么?
 楼主| zltjc 发表于 2010-2-23 17:00:06 | 显示全部楼层
提示: 作者被禁止或删除 内容自动屏蔽
yj407 发表于 2010-2-24 10:48:48 | 显示全部楼层
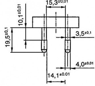
图中标示值,由于插销是斜的,取点位置非常麻烦。

加工过程中又不能保证两销是绝对对称。 ...
zltjc 发表于 2010-2-23 17:00

  插銷是斜的﹖圖上看不出來呀﹗
星空漫步 发表于 2010-2-24 11:17:23 | 显示全部楼层
±0.1的尺寸拿游标卡尺量就行了。

整个插销尺寸不大,接触式测量有困难,可考虑使用影象量仪或复合式量仪进行其它尺寸的测量。
cxymql 发表于 2010-2-24 13:55:24 | 显示全部楼层
提示: 作者被禁止或删除 内容自动屏蔽
 楼主| zltjc 发表于 2010-2-24 14:11:37 | 显示全部楼层
提示: 作者被禁止或删除 内容自动屏蔽
cxymql 发表于 2010-2-24 14:22:12 | 显示全部楼层
提示: 作者被禁止或删除 内容自动屏蔽
cxymql 发表于 2010-2-24 14:26:17 | 显示全部楼层
提示: 作者被禁止或删除 内容自动屏蔽
 楼主| zltjc 发表于 2010-2-24 14:41:40 | 显示全部楼层
提示: 作者被禁止或删除 内容自动屏蔽
Dairyan 发表于 2010-2-24 15:49:43 | 显示全部楼层
用比较好的影像测量设备,投射光看到黑白轮廓的图像再测量
 楼主| zltjc 发表于 2010-2-25 08:31:12 | 显示全部楼层
提示: 作者被禁止或删除 内容自动屏蔽
精确可靠 发表于 2010-2-25 11:48:51 | 显示全部楼层
提示: 作者被禁止或删除 内容自动屏蔽
tom.cheng 发表于 2010-2-25 12:30:46 | 显示全部楼层
量测这种尺寸有相关的量测治具,可以向安规稽核员咨询的。
星空漫步 发表于 2010-2-25 14:18:56 | 显示全部楼层
谢谢引出第二个疑难问题!

    本例中,不仅插销是斜,测量时,由于产品较小较轻,可接触端面又小 ...
zltjc 发表于 2010-2-25 08:31



    因为是非接触式测量,与用万工显一样,使用影象量仪测量时,被测件并不一定要固定。
yzjl3420646 发表于 2010-2-25 14:46:31 | 显示全部楼层
楼主确认销是斜的么,请注意看下视图,两销明显是同心圆结构,因为没有第二个圆心,这怎么能判定是斜的呢
wangshufei 发表于 2010-2-26 07:22:52 | 显示全部楼层
从图中未发现插销是斜,但是图中所有数据在万能工具显微镜上均可测出!
 楼主| zltjc 发表于 2010-2-26 08:13:30 | 显示全部楼层
提示: 作者被禁止或删除 内容自动屏蔽
yzjl3420646 发表于 2010-2-26 08:25:00 | 显示全部楼层
本帖最后由 yzjl3420646 于 2010-2-26 08:26 编辑

未命名.JPG 回复 18# zltjc


    楼主是不是根据两个销体内距差得出结论,两销不平行的?楼主请仔细看上图,这是根据你的图纸放大切出来的,15.3±0.01的尺寸是销体上半段的内距,而14.1±0.01是销体下半段的内距。销体的上半段的直径和下半段的直径是不相同的,15.3和14.1的差只是说明上半段的直径与下半段直径之差为15.3.-14.1=1.2mm,因此上半段直径应为2.8mm。而且有学过制图的都应该清楚,圆心是很重要的加工基准,是必须标出来的,下视图根本就两个圆心,这说明设计者设计的时候就是将其设计为两平行圆柱体

评分

参与人数 1金币 +1 收起 理由
zltjc + 1 说的好!

查看全部评分

Dairyan 发表于 2010-2-26 13:51:53 | 显示全部楼层
DSCF8742-1.jpg DSCF8744-1.jpg
找了个德国的插头,确实两个插脚不是平行的,可能设计的时候是为了插到插座后不容易脱落才做的。
楼主,是不是这个东西?如果是,那就是图纸画的不好了。

评分

参与人数 1金币 +1 收起 理由
zltjc + 1

查看全部评分

Dairyan 发表于 2010-2-26 13:59:20 | 显示全部楼层
随便想个什么办法,固定住,保持位置大致水平,要么干脆用橡皮泥粘在V形块上。然后用影像仪器来测,有些尺寸卡尺都可以测的。
我这插头就是影像仪上的,不能演示给你看测的效果了,抱歉。
yemeng7749 发表于 2010-2-26 19:09:06 | 显示全部楼层
用工具显微镜或二次元就可以测量了,精度可以保证啦
wanhaigeng 发表于 2010-3-1 14:13:12 | 显示全部楼层
回复 10# zltjc


    用万工显做应该是没问题的
daojianxiu 发表于 2010-3-2 00:18:18 | 显示全部楼层
本帖最后由 daojianxiu 于 2010-3-2 00:21 编辑

如果是生产企业或者是大批量检测,对于10.1,14.1,15.3,19.5这几个尺寸为什么不考虑做相应的极限规呢?做好相应的极限规,一插一比对就可以了,当然只能判断合格无法出具数据。
 楼主| zltjc 发表于 2010-3-2 08:15:13 | 显示全部楼层
提示: 作者被禁止或删除 内容自动屏蔽
您需要登录后才可以回帖 登录 | 立即注册

本版积分规则

小黑屋|Archiver|计量论坛 ( 闽ICP备06005787号-1—304所 )
电话:0592-5613810 QQ:473647 微信:gfjlbbs闽公网安备 35020602000072号

GMT+8, 2025-10-19 01:26

Powered by Discuz! X3.4

Copyright © 2001-2023, Tencent Cloud.

快速回复 返回顶部 返回列表