计量论坛

 找回密码
 立即注册

QQ登录

只需一步,快速开始

搜索

[工程参量] 海克斯康的机器怎么测量球面?

[复制链接]
习峰 发表于 2010-12-10 14:15:45 | 显示全部楼层 |阅读模式
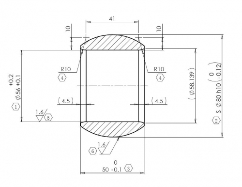
具体的产品图纸
截图01.jpg
 楼主| 习峰 发表于 2010-12-10 14:17:17 | 显示全部楼层
软件是PC-DMIS 怎么建立坐标?怎么测量80球的直径?谢谢
hetty 发表于 2010-12-10 14:31:15 | 显示全部楼层
干嘛要用三坐标来测,不太合适,可以用表测啊,再不济用千分尺也可以,你的公差那么大
 楼主| 习峰 发表于 2010-12-10 15:14:03 | 显示全部楼层
客户要求要用三坐标测量
yj407 发表于 2010-12-10 21:46:36 | 显示全部楼层
球属于3D元素,直接在球面的打出来并评价就可以了,不需专门建座标了。不过这个球得尽量打全,以使软件有足够的信息量去计算,可以得到准确的测量结果。
 楼主| 习峰 发表于 2010-12-13 08:38:36 | 显示全部楼层
球属于3D元素,直接在球面的打出来并评价就可以了,不需专门建座标了。不过这个球得尽量打全,以使软件有足 ...
yj407 发表于 2010-12-10 21:46



    按这样的方法测量后,和千分尺测量的尺寸差0.05左右,三坐标测量的数据小。这是什么原因?
yj407 发表于 2010-12-13 22:20:27 | 显示全部楼层
1、测量点一定要打全,必要时得转测头去测了。
2、评价一下球度(即圆度),并看一下趋势。看一下这个球体会不会是扁的,即中间是合格的,而两头是小的,也可以用千分尺去确认一下。
 楼主| 习峰 发表于 2010-12-24 14:37:11 | 显示全部楼层
1、测量点一定要打全,必要时得转测头去测了。
2、评价一下球度(即圆度),并看一下趋势。看一下这个球体 ...
yj407 发表于 2010-12-13 22:20



    谢谢版大!
张丽媛tina 发表于 2011-6-23 16:14:01 | 显示全部楼层
你给的只是一个剖面图,据我认为,测量球体,如果赤道上没有点,即球不够二分之一面积,那测量是不够准确的。我建议还是千分尺
wwttya 发表于 2011-9-10 20:45:53 | 显示全部楼层
还是用千分尺测吧,如果是分析两种量具的差异原因,可以将三坐标测量的球元素的形状误差评价出来以供参考,但仍以千分尺为准。
您需要登录后才可以回帖 登录 | 立即注册

本版积分规则

小黑屋|Archiver|计量论坛 ( 闽ICP备06005787号-1—304所 )
电话:0592-5613810 QQ:473647 微信:gfjlbbs闽公网安备 35020602000072号

GMT+8, 2025-10-22 13:49

Powered by Discuz! X3.4

Copyright © 2001-2023, Tencent Cloud.

快速回复 返回顶部 返回列表