计量论坛

 找回密码
 立即注册

QQ登录

只需一步,快速开始

搜索

[工程参量] 请教,该工件的1:10锥孔用什么检具测量比较精确

[复制链接]
jslliucheng 发表于 2012-3-23 12:24:55 | 显示全部楼层 |阅读模式
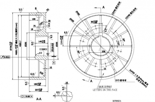
此工件锥孔大端尺寸为218.023,锥度1:10,锥长140。直径太大,锥度规即使有,也无法转动检测,请各位老师帮忙,想想其它检测办法。谢谢!
制动轮B3.JPG
zhx730621 发表于 2012-3-23 18:34:19 | 显示全部楼层
是否可以考虑使用三坐标进行测量,或者用正弦尺和量块进行测量
杭杭 发表于 2012-11-10 13:12:15 | 显示全部楼层
使用三坐标进行测量
您需要登录后才可以回帖 登录 | 立即注册

本版积分规则

小黑屋|Archiver|计量论坛 ( 闽ICP备06005787号-1—304所 )
电话:0592-5613810 QQ:473647 微信:gfjlbbs闽公网安备 35020602000072号

GMT+8, 2025-10-23 11:35

Powered by Discuz! X3.4

Copyright © 2001-2023, Tencent Cloud.

快速回复 返回顶部 返回列表