找回密码
 立即注册

QQ登录

只需一步,快速开始

搜索

[工程参量] 形位公差讨论 ------位置度(一)

  [复制链接]
yj407 发表于 2010-5-25 21:55:57 | 显示全部楼层 |阅读模式
本帖最后由 yj407 于 2010-5-31 22:27 编辑

我们在测量产品时,对于形位公差的检测是经常碰到的,三座标更是如此,然而在实际检测的时候,我们会发现,图纸上对形位公差的标注可以说是五花八门,有的即便是有多年检测经验的老师付,也一时难以下手该如测检测。本人从事三座标的检测也有多年了,也遇到了不少这方面的问题,但这些问题我们都必须要面对的。。。。。。
   从现在开始,本版块将开展这方面的讨论,希望广大量友积极发言。对于认真回贴的量友,都将给予奖励:)
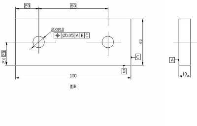
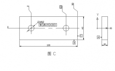
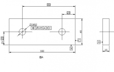
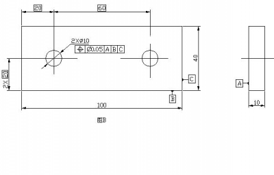
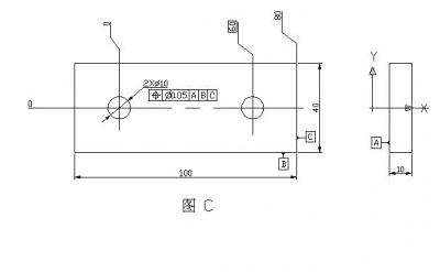
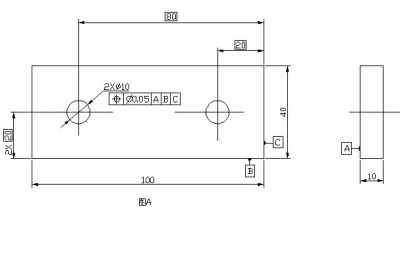
   今天是第一期:位置度的测量方法 见下面三付图(图A、图B、图C)

要求分别测量这图中两个孔的位置度,只要讲出测量方法即可。
001.JPG
002.JPG
003.JPG

评分

参与人数 2威望 +1 金币 +1 收起 理由
dali + 1 赞一个!
上帝 + 1 这个系列不错

查看全部评分

规矩湾锦苑 发表于 2012-8-18 23:10:00 | 显示全部楼层
回复 44# guobotao

  这是因为测量基准是测量人员为了测量重复性最好、读数最方便的“参照物”,测量基准可以任意选择,评定基准(基准要素)则是设计人员的要求,是唯一的,是不容测量人员选择的。
  例如我们要测量一个人造卫星相对于北京的飞行轨迹,我们可以选择地球作为参照物读数,可以选择太阳作为读数参照物,也可以选择月球作为读数参照物。也就是说我们选择的测量基准可以是地球、太阳、月球或其它任意一个参照物,不同的测量基准(参照物)测得的数据肯定是不同的。可是评定基准却不可以改变,即测量结果应该是相对于地球,地球是基准要素,无论参照什么测量基准进行读数,都应该通过数据处理转换成以地球为基准要素得到的运动轨迹。
  楼主提供的三个图各自体现了不同的意图,这是因为基准要素不相同所致。但测量时,3个图的坐标原点都是ABC,这是指测量基准都用一个。把人造卫星比喻为被测件,把楼主的三张图测量基准分别比喻为地球、太阳、月亮,把人造卫星运动轨迹比喻为形位误差,地球为我们选择的测量基准。因为我们在地球上,以地球为读数参考对象对人造卫星进行测量会更方便,或者更准确,重复性更好。不管设计者要求的基准要素是什么,我们均以地球为测量基准读数,然后再根据测得数据按图纸要求的基准要素进行评定。这就是为什么3个图的坐标原点都可以选择同一个测量基准(余版主说的三基面体系)ABC,用这个测量基准进行测量重复性、准确度最好,也最方便。
回复

使用道具 举报

dingqing 发表于 2010-5-31 10:51:49 | 显示全部楼层
我在测量的过程中也有遇到类似的图纸,在此发表一下我的想法,请大家多多指教。
一下均以A基准为Z轴原点,B基准为Y轴原点且向上方向为正,C基准为X轴原点且向右为正。
(一),图001,直接将坐标建在A,B,C基准上,以A,B,C为原点来评价两孔的位置度。
(二),图 003:(1)先将坐标建在A,B,C基准上,以A,B,C为原点
                (2)将坐标原点X方向左偏-80,Y偏置放在(0,0)的那个孔上来评价(60,0)孔位置度。
                (3)将坐标原点移到(60,0)的孔上,再将X原点左偏-60为新坐标来评价(0,0)孔的位置度。
(三),图002:(1)先将坐标建在A,B,C基准上,以A,B,C为原点;
                (2)将坐标原点X方向左偏-100作为新坐标来评价(20,20)的孔位置度;
                (3)在(2)坐标的基础上再将X方向右偏20作为新坐标来评价(60,20)的孔位置度。
对于图003,由于图中没有给出两孔相对于B基准的位置,所以没办法将坐标Y偏移个理论的值,只能将坐标直接偏到实际的孔上去。这样Y的值测出来对于图中所标的以B为基准就不大符合,呵呵,我暂时想不出更好的方法。如果图纸能给个20的尺寸或者注明一下中分就好了,~~~~(>_<)~~~~

评分

参与人数 1威望 +1 收起 理由
yj407 + 1 热心回复

查看全部评分

回复

使用道具 举报

aux8180 发表于 2010-5-26 13:12:56 | 显示全部楼层
回复 1# yj407

线的位置度.rar (47.24 KB, 下载次数: 137)
回复

使用道具 举报

 楼主| yj407 发表于 2010-5-26 21:43:49 | 显示全部楼层
本帖最后由 yj407 于 2010-5-26 21:58 编辑

回复 2# aux8180

感谢楼上的朋友所上传的资料,不过,您上传的这个图片有明显的错误:
见下图,这是我从您的附件中所抓出来的图,请看我在图中加载的注示:


  我所发出来的这三个图,初看起来可能都认为非常简单,但除了A图之外,另外两个图的位置注法恐怕在一般的教科书中都不会见到,但这两种情况在现实的生产与测量都都会碰到。这种尺寸标注与基准不一致的情况,经常困绕的量测人员如何该去测量这样的位置度?对于后两个图,我自已也没有标准答案,希望大家对形位公差的理解发表一下自已的看法,一起讨论一下吧:)
001.JPG
回复

使用道具 举报

 楼主| yj407 发表于 2010-5-31 22:40:54 | 显示全部楼层
非常感谢楼上的热心回复,对于图3,两个孔的中心线是在外形(即宽度为40的两条边)的中心线上。可能原图给的不清楚,现已作修改。
  从楼上朋友所提供的方法,您对基准标注看法是:
  
      不论理论正确尺寸是否与基准位置重合,评价位置度时,其被测孔的位置度都应严格的从被测要素与基准要素间的尺寸关系进行计算
回复

使用道具 举报

规矩湾锦苑 发表于 2010-6-1 02:03:37 | 显示全部楼层
本帖最后由 规矩湾锦苑 于 2010-6-1 02:11 编辑

1.被测要素是两个孔的轴心线,位置度公差要求为φ0.05的圆柱面包容区域。
2.基准要素是底平面A、下长侧面B、右短侧面C以及由理论正确尺寸确定的两个孔轴心线共同组成的基准体系。
3.对于A基准:
    三个图A基准是相同的,都是底平面为基准,以这个平面为位置度的基准表示了被测要素两个孔的轴心线的位置必须与其垂直。
4.对于B基准:
  图1和图2都表示被测要素两个轴心线组成的平面与B基准(长侧面)平行,距离基准B的尺寸为理论正确尺寸20mm。
  图3表示被测要素两个轴心线组成的平面与B基准(长侧面)平行,距离基准B的尺寸为任意尺寸,不加任何限制。
5.对于C基准:
  图1表示被测要素两个轴心线分别与C基准(短侧面)平行,两个被测孔的轴心线距离基准C分别为理论正确尺寸20mm和80mm;
  图2表示被测要素两个轴心线分别与C基准(短侧面)平行,但是轴心线距离基准C的尺寸不做任何限制,强调两个被测轴心线的距离为理论正确尺寸为60mm,左边的被测轴心线距离非基准要素(基准C的对面短侧面)距离为理论正确尺寸20mm;
  图3表示被测要素两个轴心线分别与C基准(短侧面)平行,但是只强调两个被测轴心线的距离为理论正确尺寸为60mm,被测轴心线距离基准C的尺寸不做任何限制,被测轴心线距离非基准要素(基准C的对面短侧面)距离也不加任何限制。

评分

参与人数 1威望 +1 收起 理由
yj407 + 1 非常细致、周到。

查看全部评分

回复

使用道具 举报

 楼主| yj407 发表于 2010-6-1 21:28:39 | 显示全部楼层
回复 6# 规矩湾锦苑
   回答非常细致,从您的回复的内容来看,就图B而言,在计算被测孔的位置度时,是应该计算C基准到被测要素的距离尺寸偏差还是应该从C基准的对边算起呢?从您发贴的内容来看似乎是后者,是吗?
回复

使用道具 举报

规矩湾锦苑 发表于 2010-6-2 21:38:41 | 显示全部楼层
本帖最后由 规矩湾锦苑 于 2010-6-2 21:45 编辑

回复 7# yj407


    非常正确,在计算被测孔的位置度时,计算被测要素的距离尺寸偏差应该从C基准的对边算起。此时的基准要素C与被测孔在底板上的位置无关,只决定被测孔轴心线的方向,换句话也就是说它只决定基准C对面的侧平面方向。因此如果图纸设计再完美一点的话,应该增加标注基准C对面的侧平面相对于基准C的平行度要求。或者干脆把基准C标注在那个侧面上,而取消现在标注的基准C作为基准要素的资格,仅仅对其提出平行度要求(平行度以其对面的侧平面为基准要素)即可。
回复

使用道具 举报

zlzl521521 发表于 2010-6-3 11:01:18 | 显示全部楼层
也许是我没看懂,看到三个图的区别似乎只在建立坐标系的时候选择的面不同。

然后评价位置度,应该是两个圆柱的3D位置度。
回复

使用道具 举报

 楼主| yj407 发表于 2010-6-3 22:11:09 | 显示全部楼层
谢谢规矩兄的回答,不过我还有点疑问:
  这位置度的基准是典型的三基面体系,根据三基面体系的定义:
    A基准面是第一基准,可以说是一个基准面,控制了三个自由度。(设为:Z工作平面,和Z轴的零点)
    B基准是第二基准,它应该是一条在A基准面上的轴线,控制了二个自由度,即为X轴向,和Y轴的零点。
    C基准是第三基准,它应该是在A基准面上的一个点,控制了最后一个自由度,即X轴的零点。
  由上述可知,这被测要素是公差带应该是垂直于A基准的圆柱,两个被测要素的轴线所构成的平面应平行于 B基准线。而对于C基准,则应该不存在定向上的关系了,否则就会与A基准面的垂直要求相冲突了。因此图B、和图C,对于C基准而言,若没有距离要求的话,那么这个C基准似乎标注的有些多余了:)
回复

使用道具 举报

规矩湾锦苑 发表于 2010-6-5 10:30:54 | 显示全部楼层
本帖最后由 规矩湾锦苑 于 2010-6-5 10:38 编辑

回复 10# yj407


    测量基准和基准要素不是一回事,不要把测量基准和基准要素混为一谈。
  测量基准是实施测量时的读数参考对象,无论是尺寸测量、形状误差测量还是位置误差测量,只要有读数(测得值)就必须建立测量基准。读数的参考对象可以随意选择,可以是三坐标测量机的机器坐标系,也可以是被测对象的零件坐标系,还可以是其他任意什么坐标系,完全是看测量过程怎么方便有效你就怎么建立,当然建立测量基准应该符合三基面体系的六点定位原则。你建立的这个坐标系是测量基准,当然也是这个被测件的零件坐标系,用于这个零件的测量工作的也是有效的,但是并不是唯一的。
  基准要素是评价被测要素位置度误差是否满足功能要求的基准。只有位置误差(关联要素)的测量才有基准要素,单一要素(形状误差和尺寸误差)的测量是不存在基准要素的。基准要素是不能够随意选择的,必须按照图纸规定或者位置误差某个项目的定义规定来选择。基准要素的不同,同一个被测要素得到的位置误差结论相差甚远,甚至是截然相反,因此对于被测要素而言基准要素是唯一的。基准要素与三基面体系毫无关系,基准要素可以是一个点,也可以是一个面或者一条线,也可以是若干个点、线、面的组合,到底基准要素是什么,就看图纸是怎么规定的,或者看被测位置误差的定义是怎么规定的。
回复

使用道具 举报

规矩湾锦苑 发表于 2010-6-5 10:58:37 | 显示全部楼层
我们也可以用一个不十分恰当的话来区分测量基准和基准要素。对于位置度来说,测量基准仅仅是用来获取测量数据的,与位置度的大小毫无关系。基准要素是用来评价位置度大小的,完全与读数的大小无关。楼主就是把测量基准当成基准要素了。本例的基准要素不仅仅包含了A、B、C还应该包含两个轴心线,外加几个理论正确尺寸共同组成的基准要素系统(以前称为基准框架),这已经远远不是三基面体系可以解释的问题了。而我们要测量位置度误差和确定基准要素,对被测要素和基准要素都必须执行测量,取得测量数据,通过这些测量数据来确定基准要素和评价被测要素的位置度大小,取得测量数据的参考对象,对于空间几何量来说,三基面体系足矣。
回复

使用道具 举报

 楼主| yj407 发表于 2010-6-5 21:05:38 | 显示全部楼层
楼上意思好象是三基面体系仅是测量用的测量基准吗?如果是的话,那就错了。
    三基面体系是形位公差里面的非常重要的一个基准体系。当被测要素所给定的基准为二个或三个时,基准代号是按照图面要求的优先顺序而建立起来的三个相互垂直的理想平面所构成的直角坐标系。Gb T17851-1999(形状和位置公差 基准和基准体系) 6.2.3 中定义很明确。
   对于上图的位置度测量,也应严格按照在由这A、B、C基准所构成三基面的坐标系下进行测量。这三基面体系建立我个人认为它正好给出了一个统一、唯一的基准。从面避免了因基准体系自身之间的不垂直而使被测要素产生三个方向的公差带(即与A基准垂直度、B与C基准的平行度)从而造成相互干涉。
回复

使用道具 举报

规矩湾锦苑 发表于 2010-6-6 00:56:45 | 显示全部楼层
本帖最后由 规矩湾锦苑 于 2010-6-6 01:12 编辑

可能我说的不够准确,但是测量基准和基准要素的确是两回事。
  测量基准是读数的基准,基准要素是评定的基准。读数基准可以选择,评定基准不可以选择。例如要测量地球上的一座建筑物以太阳球心作为基准要素的运动轨迹。我们可以以地球北极为测量基准测量太阳球心和该建筑物,也可以以喜马拉雅顶峰为测量基准测量太阳球心和该建筑物,甚至可以以月球球心为测量基准测量太阳球心和该建筑物。三种测量基准测量的读数值是不相同的,可是评定基准(基准要素)太阳球心是测量要求的,不能改变的,三种测量基准测量的数据,其评定结果应该是完全一样的。
  另外,基准要素不一定完全使用三基面体系,例如对一条直线的平行度要求,基准要素可以是另一条直线,一条轴心线,一个平面,或者是两个平面的交线,等等。但是要对这条直线进行测量,并对平行度误差的基准要素进行测量,读数的参考对象(测量基准)则应该符合三基面体系。所以我说基准要素是设计人员为确保被测件功能提出的要求的,测量者是不可选择的。位置度误差的基准要素可以是一个点,可以是一条线,可以是一个面,也可以是两个点,两个面,一条线和一个面,或者若干个点线面以及理论正确尺寸共同组合的几何要素框架(基准体系)。同一个被测要素,不同的基准要素,评定出来的位置误差是截然不同的。同一个被测要素,只要基准要素也是同一个,无论你选择什么测量基准,虽然读得的数据大相径庭,可是评定出的位置误差最终结果仍然是相同的。形状误差和尺寸误差测量是不存在基准要素的,但是只要是测量,测量基准则是不可少的。
回复

使用道具 举报

minebest 发表于 2010-6-13 12:28:09 | 显示全部楼层
对于图A,按A,B,C建坐标(3,2,1)求位置度
对于图B,按A,B,C对边建坐标(3,2,1)求位置度
对于图C,按A,B,C建坐标(3,2,1)求位置度,计算时以两孔中心点

评分

参与人数 1威望 +1 收起 理由
yj407 + 1 热心回复

查看全部评分

回复

使用道具 举报

minebest 发表于 2010-6-13 12:29:11 | 显示全部楼层
我认为上面三图,位置度只考虑两孔对基准A的垂直
回复

使用道具 举报

规矩湾锦苑 发表于 2010-6-13 16:15:01 | 显示全部楼层
理论正确尺寸同样是基准要素的非常重要的组成部分。
  位置公差的要求包括了定位误差、定向误差和跳动三种。楼主给出的三个例子均含有定位误差和定向误差两项。理论正确尺寸是定位误差定量化的基础,判定位置度是否合格的最重要的条件之一,不可以坐视不管。楼主的三个例子最根本的区别也就是理论正确尺寸的标注方法不同,因此它们的基准要素也就有了很大区别,也就带来了评定被测件是否合格的条件大为不同。“认为上面三图,位置度只考虑两孔对基准A的垂直”显然是要产生严重误判的,应该说A仅仅决定了被测孔的定向误差问题。
  另外,15楼回答的坐标系的建立方法仍然是测量基准的建立。建立测量基准最重要的原则是
  1.第一基准(3)一定要选择面积最大的,第二基准(2)选择最长的,第三基准选择最小的(1)。
    2.选择的测量基准尽可能与设计基准相统一。设计基准应该来源于使用功能的基准,加工工艺基准应该依据设计基准,测量基准一般依据工艺基准。最理想的测量基准应该是这些基准的统一。
  本例设计基准是ABC三个,A面积最大,剩下的BC两个B长度最长,C最小,而且完全可以实现测量基准与设计基准相统一,因此三个例子的最理想的测量基准都是共同的,都是A(3)、B(2)、C(1)。“按A,B,C对边建坐标(3,2,1)”是不妥当的。因为“对边”不是设计基准,与设计基准ABC相比存在着较大的形状误差,会对被测件位置度合格与否带来误判的。三个例子的根本差异就是基准要素,基准要素中的差异就在于理论正确尺寸的起始点和大小不同,这基本上不涉及到三者之间的测量方法区别(测量方法可以完全相同),只涉及到它们的测量数据如何计算和合格性判定。
回复

使用道具 举报

GPS 发表于 2010-6-20 00:48:24 | 显示全部楼层
对于坐标测量机而言,测量方法与过程应该很简单,那么目前出现的问题到底是什么原因呢?可以说是标的人不懂,测量人又不理解。

图1没有任何问题
图2,标注有问题,A-B-C标注了,但要测量和评定的与C无关?典型的不懂在瞎标
图3,同上。

测量必须按标注来做,当三基面确定后,后续的测量和评定就是基于这个基准体系。不能使用别的未标在几何公差内的基准。

这类测量时,最好和产品工程师沟通一下,不然一定出问题。

新一代GPS试图要解决这一问题,只可惜现在这些标准都成了推荐,没有了宣贯,订了的标准基本就没有用了。

评分

参与人数 1威望 +1 收起 理由
yj407 + 1 热心回复

查看全部评分

回复

使用道具 举报

wwttya 发表于 2010-8-9 22:07:55 | 显示全部楼层
回复 1# yj407

图A比较简单,按照ABC建立检测基准依图示理论尺寸评价二孔位置度即可
图B及图C所示C基准似乎与需评价位置度的二圆孔无直接关系,但本人认为既然位置度以C基准为参照基准,当由尺寸链计算出二孔对于C的理论尺寸,进而评价位置度尺寸。二孔线性尺寸的标注约束应参照对应的线性尺寸公差要求。
以上为本人愚见,还请大家多多指教!
回复

使用道具 举报

规矩湾锦苑 发表于 2010-8-10 17:12:59 | 显示全部楼层
回复 18# GPS


      我不这么认为,呵呵。我认为三种标注均无问题,并没有瞎标,关键要看设计者的意图和工件的功能要求。
      前面我说过位置公差除了跳动,剩下的分为定向误差和定位误差两种,因此基准要素的功能也就分为定向的基准要素和定位的基准要素两种。必要时基准要素的(点线面)几何要素还要配合理论正确尺寸共同形成设计人员所要求的基准要素。对于被测要素(两个孔的轴心线)的要求来说,三张图的基准要素可以做如下解读:
图A:基准要素A是定向基准。被测要素两个孔的轴心线应与之垂直。
      基准要素B是定位基准。它和理论正确尺寸一起要求被测要素两个孔的轴心到基准B的距离是理论正确尺寸20mm。
      基准要素C是定位基准。它和理论正确尺寸一起要求被测要素右边孔的轴心到基准C的距离是理论正确尺寸20mm,左边孔的轴心到基准C的距离是理论正确尺寸80mm。
图B:基准要素A是定向基准。被测要素两个孔的轴心线应与之垂直。
      基准要素B是定位基准。它和理论正确尺寸一起要求被测要素两个孔的轴心到基准B的距离是理论正确尺寸20mm。
      基准要素C是定向基准。设计功能只要求这个工作面C与基准面B垂直,被测要素两个孔的轴心到C的距离大小则无关紧要。而孔的轴心位置是由理论正确尺寸(基准要素的另一个元素)来确定的。左边孔的轴心到左边工作面的距离由理论正确尺寸20mm确定,两个孔的轴心相距距离由理论正确尺寸60mm确定。
图C:基准要素A是定向基准。被测要素两个孔的轴心线应与之垂直。
      基准要素B是定向基准。它要求被测要素两个孔的轴心连线必须与之平行。在定位问题上没有任何作用,两个孔的轴心连线与基准B的距离没有做任何要求,可以是任意的。
      基准要素C是定位基准。被测要素左边孔的轴心到C的距离由理论正确尺寸80mm确定(估计设计者笔误,80漏掉了理论正确尺寸方框符号)。右边孔的轴心位置由两个孔的轴心相距距离确定,该距离由理论正确尺寸60mm确定。
      综合以上解读,我们可以将各基准要素的作用区别汇总如下:
           基准要素         A            B           C
             图 A          定 向      定 位      定 位
             图 B          定 向      定 位      定 向
             图 C          定 向      定 向      定 位
回复

使用道具 举报

GPS 发表于 2010-8-10 18:30:19 | 显示全部楼层
位置度公差,关键看公差带的标注,如图中标示的这种园柱形公差,就需要对理论中心进行约束,这就是带方框的尺寸,如果没有这些,那未评定的依据在哪?

如果公差带是长方形,那未才存在定向问题。
回复

使用道具 举报

 楼主| yj407 发表于 2010-11-17 22:10:23 | 显示全部楼层
本帖最后由 yj407 于 2010-11-17 22:11 编辑

感谢各位的支持,我说一下我个人的看法:
1、基准主要是起定向作用的,即根据ABC的先后顺序建立好三基面体系。
2、被测要素在三基面体系具体位置则是通过图面标注的理论正确值来定的。
3、就图面的画法而言,这三个图纸的标注我认为都不应算错,但就设计而言,图A的标注大家都能很容易的做出正确的判断,但图B和图C则会产生不同的看法。个人认为这应该是设计人员失误,他没有把他意图用最简洁准确的方式表达出来。
     这种理论正确值的标注与图面标注不一致的情况,我们应该是经常遇到的。我认为最好的解决办法就是-----勾通 ,了解设计人员的真正意图以及工件的装配使用情况后,再确定真正合理有测量方法。建立好良好的勾通,才有可能找到真正意义上的准确的测量手段。而这个“勾通”两个字却是许多测量人员特别是初学者最欠缺的东西。
   这一次的讨论,可以告一段落了,非常感谢大家的支持特别是规矩湾版主的细心讲解。但这个话题不会结束,希望大家多多发表自已的看法:)
回复

使用道具 举报

DPLP 发表于 2010-12-2 16:20:02 | 显示全部楼层
设计人员有时候设计图纸时候不一定考虑测量的问题,因此图纸会给测量人员带来很大的误解和麻烦,我们不见得非要按照图纸不合理的标注来找好多理由来取搞很复杂的测量,可以和设计区沟通,我们测量的任务就是越简单越明了。大家不妨看看HP DRAWING 来,那图纸真的很完美,不会多处尺寸,不会少出尺寸,
每张图纸都可以说是很完美,并且任何部门的人看了都不会有异议。
回复

使用道具 举报

xiayudeshuidi 发表于 2010-12-5 21:21:34 | 显示全部楼层
同意楼上的看法
测量任务就是越简单越明了
回复

使用道具 举报

规矩湾锦苑 发表于 2010-12-6 17:32:29 | 显示全部楼层
回复 22# yj407

我的看法是:
1、基准主要是起定向作用的,即根据ABC的先后顺序建立好三基面体系。
      应该在基准前面加定语变成“测量基准”,用来和基准要素相区别,改为“测量基准是测量中的读数参考对象,应按三基面体系和每个基面的先后顺序建立好测量基准。”
2、被测要素在三基面体系具体位置则是通过图面标注的理论正确值来定的。
      应该改为“被测要素的具体方向和位置是由基准要素(包括A、B、C基准和理论正确尺寸)决定的”。
3、就图面的画法而言,这三个图纸的标注我认为都不应算错,但就设计而言,图A的标注大家都能很容易的做出正确的判断,但图B和图C则会产生不同的看法。个人认为这应该是设计人员失误,他没有把他意图用最简洁准确的方式表达出来。
      应该改为“就图面的画法而言,这三个图纸的标注我认为都不应算错,但就设计而言,图A的标注大家都能很容易的做出正确的判断,但对于测量人员来说,图B和图C可能会产生不同的看法。测量人员一定要认真分析设计者的意图,识别和确认设计者的计量要求到底是什么。这不是设计人员失误,设计者已经把他意图用最简洁准确的方式表达出来,图A、图B和图C的要求是完全不同的形位误差要求,测量人员千万不可误解设计人员的意图。”
回复

使用道具 举报

您需要登录后才可以回帖 登录 | 立即注册

本版积分规则

Archiver|手机版|小黑屋|计量论坛 ( 闽ICP备06005787号-1|闽公网安备35020602000072号 )
电话:0592-5613810 QQ:473647 微信:gfjlbbs 原国防计量论坛(-=始于2005年=-)

GMT+8, 2026-1-9 09:53

Powered by Discuz! X3.5

© 2001-2026 Discuz! Team.

快速回复 返回顶部 返回列表