找回密码
 立即注册

QQ登录

只需一步,快速开始

搜索

[量块] 关于量块平面度检定的具体操作

[复制链接]
daojianxiu 发表于 2009-8-7 22:24:24 | 显示全部楼层 |阅读模式
最近在检量块平面度的时候,发现很难检好。两个问题:一、小平面度的时候,把平面平晶和量块表面形成小空隙,测量干涉带弯曲度,我们手工操作,很难很难保持住干涉条纹,手一抖,就没了,或者条纹就变化了。不知道大家都是怎么操作的??有没有好的方法或者专用夹具?二、大平面度的时候,把平面平晶和量块测量面接触,把一条干涉条纹中线与量块距边缘0.8mm处重合,然后数干涉条纹个数,再计算。我们在操作的时候,发现有时候干涉条纹是斜的,跟量块的棱边并不平行。有时候条纹是平行于棱边了,但是无法操作调整到其中一条干涉条纹的中线与0.8mm边缘重合,而且,只要一动平晶,干涉条纹的个数就会产生大的变化。到底怎么样才算是接触合适的?要知道,量块的研合性检定中,可是能把干涉条纹给研合到没有的。我们做过试验,拿起平晶再放到量块上,每次出现的干涉条纹都有变动,如果手一动平晶,一不小心,条纹就变得很少很少了,都可以赶上研合性的检定了。
到底量块平面度的检定,有无一个好的标准?具体操作怎么才能保证精度?不然的话,只要研合性合格的量块(干涉条纹为无),岂不是平面度都合格了??
njjp 发表于 2009-8-9 13:31:10 | 显示全部楼层
这个也检,有病还是找死?
回复 支持 反对

使用道具 举报

规矩湾锦苑 发表于 2009-8-9 21:51:25 | 显示全部楼层
什么是小平面,什么是大平面?量块的工作面应该是都差不多大呀。
      不过薄量块(尺寸小于等于2mm)和厚量块的工作面平面度检定方法倒是不一样的。厚量块就是你说的方法,至于检定结果重复性差,就需要你多多进行基本功训练。
      薄量块则非常容易弯曲变形,这种弯曲变形量检定规程并没有规定,因此检定其平面度时,就应该防止检定中平晶与其接触时压力的变化产生的变形。
      你可以将薄量块变为厚量块,方法是将其研合在具有良好平面度的一个10mm左右的厚量块工作面上,然后再检其平面度。这个10mm左右的量块可以用一个报废的量块经修理,平面度达到要求即可。
回复 支持 反对

使用道具 举报

qc02071402 发表于 2011-12-15 10:09:28 | 显示全部楼层
我觉得研合性好的话,基本上都应该合格~~ 但是没做过实验,评感觉~~ 呵呵
个人认为,检平面度的时候不用看的那么仔细,弯曲度不大,条纹之间的距离大的时候就很好的,不用非得算出来多少吧~~
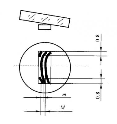
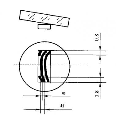
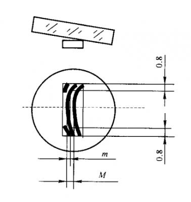
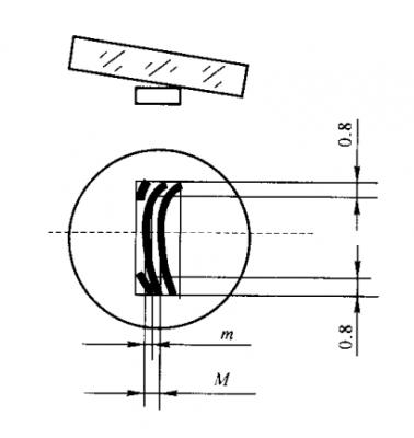
倒是有个问题想请教您~~ 在研究规程的时候,检平面度的那个注释(注:在对弓形的干涉条纹引线读取弯曲度时,应注意到所引的弦线必须通过干涉条纹的中线与量块测量面上距侧面0.8mm并与侧面相平行的线的相交点)这句话里面的“弦线”和“中线”到底是哪条搞不清楚啊。。。我觉得图9里面的虚线是“中线”,“弦线”应该就是弧(干涉条纹)上距两边缘0.8mm处连接的那条直线。
但是如果按我这样的理解,7.3.5.3那个定义就看不懂了...."其中一个干涉条纹的中线与量块测量面上距左侧面0.8mm的平行线相重合。。。读出第N条中线向右到测量面上距量块右侧面0.8mm之间的距离m/M”
QQ截图20111215100504.png 附了这张图片,不知能否看清~~ 请您帮我解答解答,先谢谢拉~~
回复 支持 反对

使用道具 举报

您需要登录后才可以回帖 登录 | 立即注册

本版积分规则

Archiver|手机版|小黑屋|计量论坛 ( 闽ICP备06005787号-1|闽公网安备35020602000072号 )
电话:0592-5613810 QQ:473647 微信:gfjlbbs 原国防计量论坛(-=始于2005年=-)

GMT+8, 2026-4-19 01:25

Powered by Discuz! X3.5

© 2001-2026 Discuz! Team.

快速回复 返回顶部 返回列表