找回密码
 立即注册

QQ登录

只需一步,快速开始

搜索

[工程参量] 相位角检测

[复制链接]
王刚 发表于 2009-9-18 20:13:11 | 显示全部楼层 |阅读模式
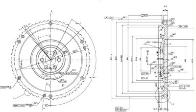
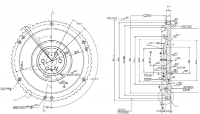
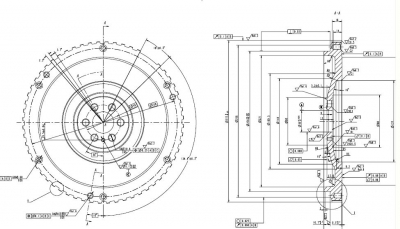
附件图纸中的相位角134.4度如何用三坐标测量?
图纸.pdf (145.85 KB, 下载次数: 18)
yj407 发表于 2009-9-18 22:38:49 | 显示全部楼层
本帖最后由 yj407 于 2009-9-18 22:49 编辑

建议楼主以后以上传图片的形式发贴,使量友们能更方便的看图又不损失金币。下面这个是我从楼主的附件里直接抓下来的图片,大家看这个就可以了,不用再额外花金币下载附件了。

整个图面

整个图面

左视图

左视图
回复 支持 反对

使用道具 举报

yj407 发表于 2009-9-18 23:42:12 | 显示全部楼层
从图面上看,A基准是孔,B基准是平面。考虑到A基准太短,测量时做第一基准误差太大,因此测量时以B基准面为第一基准,A、C基准为第二、三基准 。测量方法:
1、B基准建工作平面,分别在A、C基准打一圆将圆A、C建成Y轴(A-C为Y轴的负方向),将A基准归X、Y轴的零点。
2、这134.4度的相位角可是那个齿顶与侧边的交点尺寸,若是的话,先在该齿顶处打一条点,注意该线应尽量短且尽量靠近交点,然后侧边打一条线(不知道这侧边可是直边,若不是,那这条线应尽量打短且尽量靠近交点处)
3、用测量软件构造出这两条线的交点,然后在原点与这交点构造一连线。
4、评价该直线与Y-方向的夹角即可。
回复 支持 反对

使用道具 举报

mack125 发表于 2009-9-30 15:40:47 | 显示全部楼层
楼上说得好详细啊。

求交点的时候,还是求侧边与圆的交点好些。要不0.3度的公差恐怕保不住咯。:lol
回复 支持 反对

使用道具 举报

yj407 发表于 2009-10-1 12:02:50 | 显示全部楼层
本帖最后由 yj407 于 2009-10-1 12:16 编辑

4# mack125
  从图面上看,该外圆的直径和跳动要求都比较大,考虑到该工件实际加工时其外圆的圆度会导致圆的实际交点位置可能与三座标所测出来的圆的交点有误差。所以我觉得用较短的直线代替圆弧更好一些。该工件的外圆较大,用很短的直线去代替圆弧,其精度不会损失的。
回复 支持 反对

使用道具 举报

您需要登录后才可以回帖 登录 | 立即注册

本版积分规则

Archiver|手机版|小黑屋|计量论坛 ( 闽ICP备06005787号-1|闽公网安备35020602000072号 )
电话:0592-5613810 QQ:473647 微信:gfjlbbs 原国防计量论坛(-=始于2005年=-)

GMT+8, 2026-4-19 15:50

Powered by Discuz! X3.5

© 2001-2026 Discuz! Team.

快速回复 返回顶部 返回列表