找回密码
 立即注册

QQ登录

只需一步,快速开始

搜索

[工程参量] 求助,线轮廓度的测量

  [复制链接]
桃李满天下 发表于 2009-12-27 16:16:32 | 显示全部楼层 |阅读模式
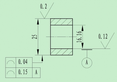
求助图中两个轮廓度的检测方法?
未命名.JPG
fangliren 发表于 2009-12-27 16:54:35 | 显示全部楼层
粗糙度轮廓仪可以测量,用直线度分析
回复 支持 反对

使用道具 举报

规矩湾锦苑 发表于 2009-12-27 18:52:41 | 显示全部楼层
因为只有一个视图,看不出被测表面是什么轮廓,根据尺寸标注方法,估计是平面。被测轮廓如果是平面,那么第一个轮廓度0.04,就是指平面度≤0.04mm,第二个轮廓度0.15,则是被测表面相对于基准要素方孔的下表面平行度≤0.15mm。平面度0.04可以用刀口尺检测,平行度0.15可以用千分尺测量各处壁厚之差的方法检测。
       注意,如果基准要素的符号引线与与16.16尺寸线在同一条直线上,基准要素就应该是方孔上下表面的对称中心面,而不是下表面了。
回复 支持 反对

使用道具 举报

 楼主| 桃李满天下 发表于 2009-12-30 11:37:37 | 显示全部楼层
因为只有一个视图,看不出被测表面是什么轮廓,根据尺寸标注方法,估计是平面。被测轮廓如果是平面,那么第 ...
规矩湾锦苑 发表于 2009-12-27 18:52



   不好意思,是我没有把图表达清楚,这是一个套圈的截面图
回复 支持 反对

使用道具 举报

yj407 发表于 2009-12-30 12:06:22 | 显示全部楼层
本帖最后由 yj407 于 2009-12-30 12:16 编辑
不好意思,是我没有把图表达清楚,这是一个套圈的截面图
桃李满天下 发表于 2009-12-30 11:37


不明白﹐這個工件是圓的還是方的﹐說是套圈﹐應該是圓的﹐可是圖上沒有直徑標記。
回复 支持 反对

使用道具 举报

规矩湾锦苑 发表于 2009-12-30 17:40:18 | 显示全部楼层
回复 4# 桃李满天下


    5楼说的是,不知道你们的套圈是不是做游戏用的,如果是游戏用的套圈,按常理应该是圆形的吧。如果是圆形的,尺寸25和16.16前面应该增加符号Φ。而且如果是套圈,套圈的四周重量应该一致,基准要素的符号引线与16.16尺寸线应该在同一条直线上,以避免套圈四周的重量不均匀性。
回复 支持 反对

使用道具 举报

sweetx2004 发表于 2010-2-10 11:19:42 | 显示全部楼层
同意这个观点:

因为只有一个视图,看不出被测表面是什么轮廓,根据尺寸标注方法,估计是平面。被测轮廓如果是平面,那么第一个轮廓度0.04,就是指平面度≤0.04mm,第二个轮廓度0.15,则是被测表面相对于基准要素方孔的下表面平行度≤0.15mm。平面度0.04可以用刀口尺检测,平行度0.15可以用千分尺测量各处壁厚之差的方法检测。’
如果是套圈,<=0.04mm应该指直线度
回复 支持 反对

使用道具 举报

阿K 发表于 2010-2-21 19:01:52 | 显示全部楼层
回复 6# 规矩湾锦苑


    规矩湾锦苑   你真强。
回复 支持 反对

使用道具 举报

规矩湾锦苑 发表于 2010-2-22 15:55:07 | 显示全部楼层
需要补充一点的是:
两个轮廓度的标注也应该分开.
  轮廓度0.04可以保持现在的状态,表示被测要素(Φ25外圆)的轮廓度,这个轮廓度实际上就是外圆圆柱面的"圆柱度".
  轮廓度0.15既然是有基准的,那就是表示在以内孔φ16.16轴心线为基准要素的情况下,被测要素外圆圆柱面的轮廓度,这个轮廓度包含了圆柱度,也包含了外圆轴心线与内孔轴心线的同轴度.既然已经单独提出了圆柱度要求(0.04),在这里不如把它改为同轴度要求为好,并且指引线与尺寸线Φ25对齐,免得生产和测量人员费解.
  测量方案:首选圆度仪和三坐标测量,没有圆度仪和三坐标时,可以用千分尺测量外圆圆度误差和锥度变化解决轮廓度0.04的测量问题,然后穿入标准心轴,架在等高V型铁上通过打跳动解决轮廓度0.15的测量问题.
回复 支持 反对

使用道具 举报

您需要登录后才可以回帖 登录 | 立即注册

本版积分规则

Archiver|手机版|小黑屋|计量论坛 ( 闽ICP备06005787号-1|闽公网安备35020602000072号 )
电话:0592-5613810 QQ:473647 微信:gfjlbbs 原国防计量论坛(-=始于2005年=-)

GMT+8, 2026-4-19 10:48

Powered by Discuz! X3.5

© 2001-2026 Discuz! Team.

快速回复 返回顶部 返回列表