找回密码
 立即注册

QQ登录

只需一步,快速开始

搜索

[几何量仪器] 请玩长度的高手进来看一下。

[复制链接]
zltjc 发表于 2010-2-23 16:00:10 | 显示全部楼层 |阅读模式
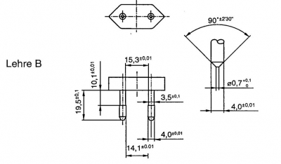
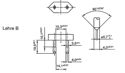
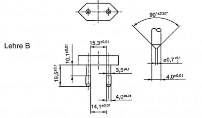
一个德国插头量规,尺寸图如下


10011801.jpg
由于插销是斜的,取点位置非常麻烦。请高手论战
桃李满天下 发表于 2010-2-23 16:17:30 | 显示全部楼层
请问楼主你要测量什么?
回复 支持 反对

使用道具 举报

 楼主| zltjc 发表于 2010-2-23 17:00:06 | 显示全部楼层
图中标示值,由于插销是斜的,取点位置非常麻烦。

加工过程中又不能保证两销是绝对对称。
回复 支持 反对

使用道具 举报

yj407 发表于 2010-2-24 10:48:48 | 显示全部楼层
图中标示值,由于插销是斜的,取点位置非常麻烦。

加工过程中又不能保证两销是绝对对称。 ...
zltjc 发表于 2010-2-23 17:00

  插銷是斜的﹖圖上看不出來呀﹗
回复 支持 反对

使用道具 举报

星空漫步 发表于 2010-2-24 11:17:23 | 显示全部楼层
±0.1的尺寸拿游标卡尺量就行了。

整个插销尺寸不大,接触式测量有困难,可考虑使用影象量仪或复合式量仪进行其它尺寸的测量。
回复 支持 反对

使用道具 举报

cxymql 发表于 2010-2-24 13:55:24 | 显示全部楼层
用万工显可以做的了,具体插头是否对称,按图没有公差要求,用卡尺测出他的间距就可以了
回复 支持 反对

使用道具 举报

 楼主| zltjc 发表于 2010-2-24 14:11:37 | 显示全部楼层
现在的问题在14.1 ---10.1  ---  15.3  这三个尺寸,公差较小,卡尺肯定不行。
回复 支持 反对

使用道具 举报

cxymql 发表于 2010-2-24 14:22:12 | 显示全部楼层
量规从图上看是平行的,有的是因为不合格硬掰的,VDE标准里好像有斜的,但却明显标出了尺寸。
回复 支持 反对

使用道具 举报

cxymql 发表于 2010-2-24 14:26:17 | 显示全部楼层
你那里有投影仪,以一根销对齐,移到另一边测出最大和最小就能判断了。
回复 支持 反对

使用道具 举报

 楼主| zltjc 发表于 2010-2-24 14:41:40 | 显示全部楼层
我用过多台投影,能达到这个精度的比较少,虽然小数点后面有四位数,那是靠不住的。

工显是肯定的可以。


问题在于销是斜的,而尺寸公差又太小,具体最哪个点,如何取点就成了关键问题了。
回复 支持 反对

使用道具 举报

Dairyan 发表于 2010-2-24 15:49:43 | 显示全部楼层
用比较好的影像测量设备,投射光看到黑白轮廓的图像再测量
回复 支持 反对

使用道具 举报

 楼主| zltjc 发表于 2010-2-25 08:31:12 | 显示全部楼层
用比较好的影像测量设备,投射光看到黑白轮廓的图像再测量
Dairyan 发表于 2010-2-24 15:49



    谢谢引出第二个疑难问题!

    本例中,不仅插销是斜,测量时,由于产品较小较轻,可接触端面又小,安装更是一种找战。
回复 支持 反对

使用道具 举报

精确可靠 发表于 2010-2-25 11:48:51 | 显示全部楼层
用影像测量仪,也不用找正,很方便,精确能达到3+L/100
回复 支持 反对

使用道具 举报

tom.cheng 发表于 2010-2-25 12:30:46 | 显示全部楼层
量测这种尺寸有相关的量测治具,可以向安规稽核员咨询的。
回复 支持 反对

使用道具 举报

星空漫步 发表于 2010-2-25 14:18:56 | 显示全部楼层
谢谢引出第二个疑难问题!

    本例中,不仅插销是斜,测量时,由于产品较小较轻,可接触端面又小 ...
zltjc 发表于 2010-2-25 08:31



    因为是非接触式测量,与用万工显一样,使用影象量仪测量时,被测件并不一定要固定。
回复 支持 反对

使用道具 举报

wangshufei 发表于 2010-2-26 07:22:52 | 显示全部楼层
从图中未发现插销是斜,但是图中所有数据在万能工具显微镜上均可测出!
回复 支持 反对

使用道具 举报

 楼主| zltjc 发表于 2010-2-26 08:13:30 | 显示全部楼层
楼主确认销是斜的么,请注意看下视图,两销明显是同心圆结构,因为没有第二个圆心,这怎么能判定是斜的呢 ...
yzjl3420646 发表于 2010-2-25 14:46



    斜的,请通过图中尺寸计算。
回复 支持 反对

使用道具 举报

Dairyan 发表于 2010-2-26 13:51:53 | 显示全部楼层
DSCF8742-1.jpg DSCF8744-1.jpg
找了个德国的插头,确实两个插脚不是平行的,可能设计的时候是为了插到插座后不容易脱落才做的。
楼主,是不是这个东西?如果是,那就是图纸画的不好了。

评分

参与人数 1金币 +1 收起 理由
zltjc + 1

查看全部评分

回复 支持 反对

使用道具 举报

Dairyan 发表于 2010-2-26 13:59:20 | 显示全部楼层
随便想个什么办法,固定住,保持位置大致水平,要么干脆用橡皮泥粘在V形块上。然后用影像仪器来测,有些尺寸卡尺都可以测的。
我这插头就是影像仪上的,不能演示给你看测的效果了,抱歉。
回复 支持 反对

使用道具 举报

yemeng7749 发表于 2010-2-26 19:09:06 | 显示全部楼层
用工具显微镜或二次元就可以测量了,精度可以保证啦
回复 支持 反对

使用道具 举报

wanhaigeng 发表于 2010-3-1 14:13:12 | 显示全部楼层
回复 10# zltjc


    用万工显做应该是没问题的
回复 支持 反对

使用道具 举报

daojianxiu 发表于 2010-3-2 00:18:18 | 显示全部楼层
本帖最后由 daojianxiu 于 2010-3-2 00:21 编辑

如果是生产企业或者是大批量检测,对于10.1,14.1,15.3,19.5这几个尺寸为什么不考虑做相应的极限规呢?做好相应的极限规,一插一比对就可以了,当然只能判断合格无法出具数据。
回复 支持 反对

使用道具 举报

 楼主| zltjc 发表于 2010-3-2 08:15:13 | 显示全部楼层
找了个德国的插头,确实两个插脚不是平行的,可能设计的时候是为了插到插座后不容易脱落才做的。
楼主,是 ...
Dairyan 发表于 2010-2-26 13:51


非常感谢您的认真!

您的图中确实是德国插图。

我们在此讨论的量规,是用来检测插座用的不过插入量规。出自于标准  DIN VDE 0620-1 -2005  p138页。
回复 支持 反对

使用道具 举报

 楼主| zltjc 发表于 2010-3-2 08:17:22 | 显示全部楼层
回复 24# daojianxiu


    如果仅仅生产插头的话,这种方法是可行的。

    可是现在是量规,量规的加工精度和难度都如此之高,

不敢想像批量是相关夹具的精度要达到什么样的水平了。
回复 支持 反对

使用道具 举报

rainie 发表于 2010-3-3 00:28:03 | 显示全部楼层
看图确实看不出来是斜的啊,难不成我的制图白学了
回复 支持 反对

使用道具 举报

您需要登录后才可以回帖 登录 | 立即注册

本版积分规则

Archiver|手机版|小黑屋|计量论坛 ( 闽ICP备06005787号-1|闽公网安备35020602000072号 )
电话:0592-5613810 QQ:473647 微信:gfjlbbs 原国防计量论坛(-=始于2005年=-)

GMT+8, 2026-4-19 12:34

Powered by Discuz! X3.5

© 2001-2026 Discuz! Team.

快速回复 返回顶部 返回列表