找回密码
 立即注册

QQ登录

只需一步,快速开始

搜索

[坐标] 帮忙建个坐标系

[复制链接]
ronintang 发表于 2010-8-13 08:53:41 | 显示全部楼层 |阅读模式
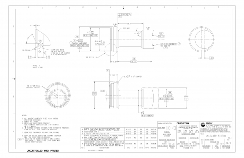
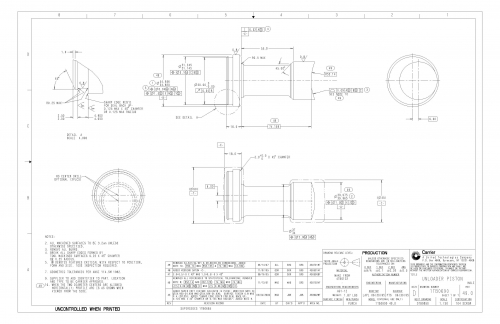
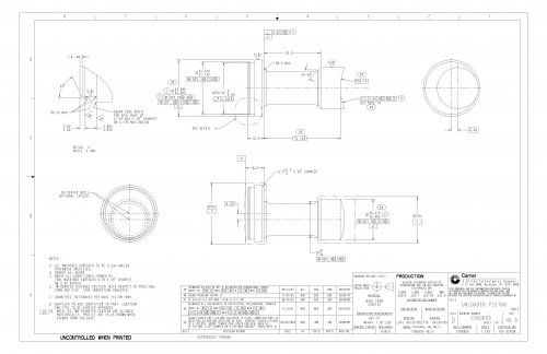
版主,你好!我现在遇到一个难题,麻烦你帮我看看,怎么样建个坐标系。谢谢!
d_1TB0690_49.jpg
davidow 发表于 2010-8-15 09:05:40 | 显示全部楼层
可以用直径39.975的圆柱建立第一轴;
用间距6.00的两个圆联线建立第二轴;
大圆端部建立平面,直径39.975的圆柱与端面相交点作为原点。

评分

参与人数 1金币 +2 收起 理由
yj407 + 2 热心回复

查看全部评分

回复 支持 反对

使用道具 举报

yj407 发表于 2010-8-15 10:07:14 | 显示全部楼层
对于检测那轮廓度而言
1、将A基准圆柱建第一轴(设为X轴),并归YZ零点。
2、A、B基准连线建成Y轴。
3、C基准面归X轴零点。
回复 支持 反对

使用道具 举报

zqqlover 发表于 2010-8-26 11:22:12 | 显示全部楼层
曲轴端面作空间旋转轴
54圆心与51圆心连线作平面旋转轴
曲轴端面为面基准
54圆心为心基准
回复 支持 反对

使用道具 举报

您需要登录后才可以回帖 登录 | 立即注册

本版积分规则

Archiver|手机版|小黑屋|计量论坛 ( 闽ICP备06005787号-1|闽公网安备35020602000072号 )
电话:0592-5613810 QQ:473647 微信:gfjlbbs 原国防计量论坛(-=始于2005年=-)

GMT+8, 2026-4-19 07:54

Powered by Discuz! X3.5

© 2001-2026 Discuz! Team.

快速回复 返回顶部 返回列表