找回密码
 立即注册

QQ登录

只需一步,快速开始

搜索

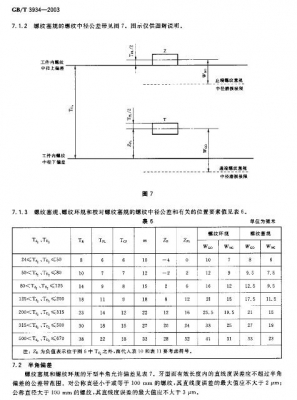
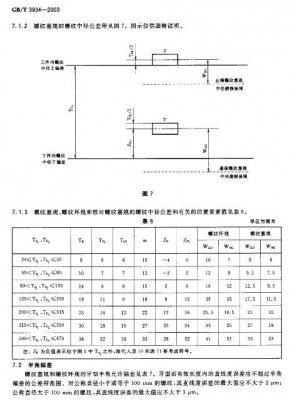
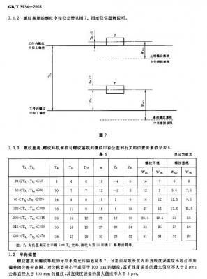
[螺纹/齿轮] M2*0.4-7H的螺纹塞规怎么计算中径尺寸?

[复制链接]
zhp1985129 发表于 2011-5-27 10:54:43 | 显示全部楼层 |阅读模式
我们厂有很多这样的塞规,现在规程上的方法在计算这种规格的时候TD2这个参数表上显示的是没有,我不知道怎么算,哪位知道的能告诉我下。
che-zp 发表于 2011-5-27 11:04:25 | 显示全部楼层
本帖最后由 che-zp 于 2011-5-27 11:06 编辑

SNAG-046.jpg 同一工件使用成量和哈量的螺纹塞规检查M2以下尺寸可能存在差异
回复 支持 反对

使用道具 举报

您需要登录后才可以回帖 登录 | 立即注册

本版积分规则

Archiver|手机版|小黑屋|计量论坛 ( 闽ICP备06005787号-1|闽公网安备35020602000072号 )
电话:0592-5613810 QQ:473647 微信:gfjlbbs 原国防计量论坛(-=始于2005年=-)

GMT+8, 2026-4-19 01:39

Powered by Discuz! X3.5

© 2001-2026 Discuz! Team.

快速回复 返回顶部 返回列表