找回密码
 立即注册

QQ登录

只需一步,快速开始

搜索

[工程参量] 关于锥面轮廓度的测量

[复制链接]
缘随风飘 发表于 2008-12-4 16:25:14 | 显示全部楼层 |阅读模式
各位:
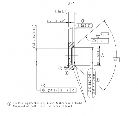
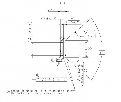
      各位请教一下,对于一个单一的锥面的锥面轮廓度应该怎么去测量。详细请看附件。
59001173045 .jpg
yj407 发表于 2009-4-12 22:42:28 | 显示全部楼层
请贴图上来吧,俺可不想花钱去下载!!!顺便问一下,你用的是什么三座标?

评分

参与人数 1金币 +2 收起 理由
duomeiti + 2 认同观点

查看全部评分

回复 支持 反对

使用道具 举报

王刚 发表于 2012-6-4 22:51:35 | 显示全部楼层
导入数模后应该很容易测量。
回复 支持 反对

使用道具 举报

skd 发表于 2012-9-25 21:40:58 | 显示全部楼层
期待有人分解
回复 支持 反对

使用道具 举报

玉环普天1 发表于 2022-11-28 12:51:32 | 显示全部楼层
导入数模很容易测量。蔡司的可要有自由曲面模块。

补充内容 (2022-11-28 13:43):
海克斯康版本要CAD+
回复 支持 反对

使用道具 举报

您需要登录后才可以回帖 登录 | 立即注册

本版积分规则

Archiver|手机版|小黑屋|计量论坛 ( 闽ICP备06005787号-1|闽公网安备35020602000072号 )
电话:0592-5613810 QQ:473647 微信:gfjlbbs 原国防计量论坛(-=始于2005年=-)

GMT+8, 2026-5-28 23:36

Powered by Discuz! X3.5

© 2001-2026 Discuz! Team.

快速回复 返回顶部 返回列表