找回密码
 立即注册

QQ登录

只需一步,快速开始

搜索

[光谱/光度] 气相色谱基线和样品出峰问题 【附图】

[复制链接]
hdmovie1 发表于 2010-1-21 16:05:51 | 显示全部楼层 |阅读模式
一台岛津GC-14C气相色谱仪,走了40分钟基线(如图),请教一下基线走成这个样子是什么原因
基线.JPG

仪器条件如下:

岛津GC-14C,FID
毛细柱
柱温160℃
气化室230℃
检测室230℃


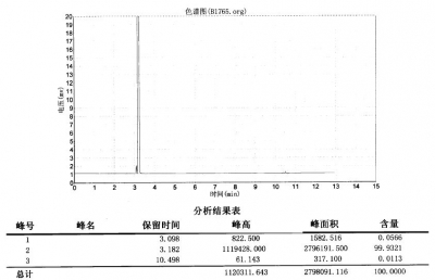
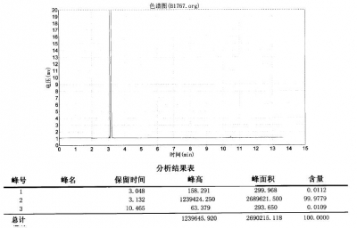
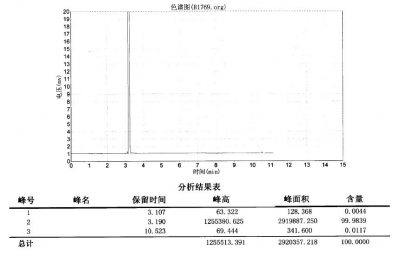
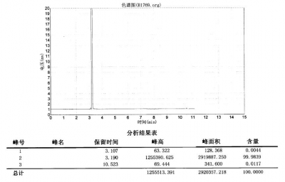
我用100ng/L的正十六烷-异辛烷,进样6次,每次1μl(如图),第一个峰应该是异辛烷溶剂峰,最后小峰应该是十六烷溶质峰,怎么最前边还有峰?杂峰吗?
1.JPG
2.JPG
3.JPG
4.JPG
5.JPG
6.JPG
vandyke 发表于 2010-1-21 16:25:40 | 显示全部楼层
1、从基线的波动周期来看,好像是载气流速不稳定引起的,一般是由于压缩机的自动加压造成。
2、紧挨着溶剂峰之前的小峰一般是进样不完美造成的,它同样是溶剂峰。由于进样的速度不够快,针尖部分样品迅速气化,接下来大量的样品才被注射器推杆注入到汽化室气化,这就造成了两次气化从而产生鬼峰

评分

参与人数 1金币 +2 收起 理由
ycjlzxj + 2 热心

查看全部评分

回复 支持 反对

使用道具 举报

 楼主| hdmovie1 发表于 2010-1-21 16:51:21 | 显示全部楼层
多谢vandyke 斑竹,这样的话载气是不是最好不用压缩机改用气瓶应该能解决?
回复 支持 反对

使用道具 举报

vandyke 发表于 2010-1-21 17:15:43 | 显示全部楼层
一般来说气瓶更好。
回复 支持 反对

使用道具 举报

您需要登录后才可以回帖 登录 | 立即注册

本版积分规则

Archiver|手机版|小黑屋|计量论坛 ( 闽ICP备06005787号-1|闽公网安备35020602000072号 )
电话:0592-5613810 QQ:473647 微信:gfjlbbs 原国防计量论坛(-=始于2005年=-)

GMT+8, 2026-5-25 16:47

Powered by Discuz! X3.5

© 2001-2026 Discuz! Team.

快速回复 返回顶部 返回列表