找回密码
 立即注册

QQ登录

只需一步,快速开始

搜索

[工程参量] Q7 确定角度方向的问题

[复制链接]
上帝之手 发表于 2011-12-20 22:50:05 | 显示全部楼层 |阅读模式
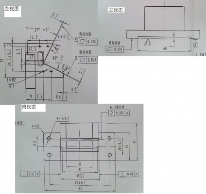
单位刚买了台PMM-C 。不太会。
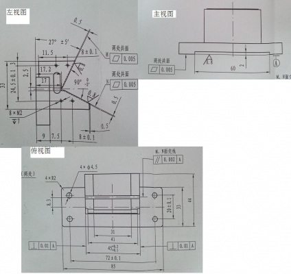
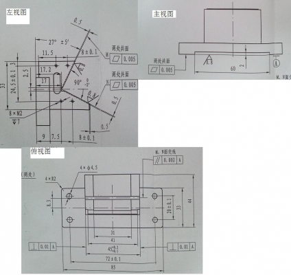
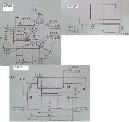
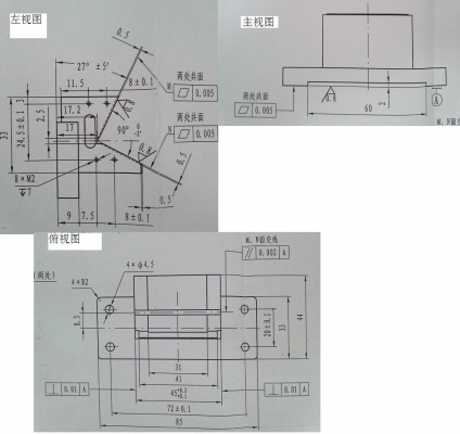
现在有个难题是角度是90° 公差是 对零负2分  
怎么确定我测量的方向。
yj407 发表于 2011-12-22 00:03:39 | 显示全部楼层
本帖最后由 yj407 于 2011-12-22 00:05 编辑

在当前为正的工作平面下,以逆时针为正。
回复 支持 反对

使用道具 举报

 楼主| 上帝之手 发表于 2013-5-9 20:16:39 | 显示全部楼层
回复 2# yj407


   90度的角度,如果只单独测2个面,怎么确定实测角度和补角

90度

90度
回复 支持 反对

使用道具 举报

minebest 发表于 2013-5-17 21:02:39 | 显示全部楼层
可以建坐标,基准面建第一轴,被测面建第二轴设零点,计算角度并看被测面上下2点坐标差定角度正负或直接使用象限角
回复 支持 反对

使用道具 举报

 楼主| 上帝之手 发表于 2013-7-14 11:46:18 | 显示全部楼层
回复 4# minebest


    您好,能不能加为好友,以后有问题可以直接请教您?我的Q:31888836
回复 支持 反对

使用道具 举报

您需要登录后才可以回帖 登录 | 立即注册

本版积分规则

Archiver|手机版|小黑屋|计量论坛 ( 闽ICP备06005787号-1|闽公网安备35020602000072号 )
电话:0592-5613810 QQ:473647 微信:gfjlbbs 原国防计量论坛(-=始于2005年=-)

GMT+8, 2026-4-16 17:31

Powered by Discuz! X3.5

© 2001-2026 Discuz! Team.

快速回复 返回顶部 返回列表