找回密码
 立即注册

QQ登录

只需一步,快速开始

搜索

[工程参量] 请问:角度位置度的正确方法?

[复制链接]
xizi 发表于 2012-1-27 10:42:18 | 显示全部楼层 |阅读模式
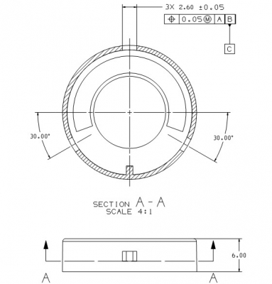
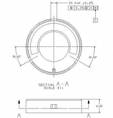
请问涉及到角度的位置度如何测量?由于我不能上图,就比如在一个圆柱上面有2个槽,这2个槽和基准之间成30度角度,然后求这2个槽相对于基准A,B,C的位置度?
规矩湾锦苑 发表于 2012-1-27 16:18:45 | 显示全部楼层
  从你说的案例中可以看出,被测要素是两个槽的中心平面,30°是理论正确尺寸,被测参数是位置度误差。但是,还有一系列问题没有表述清楚:
  “一个圆柱上面有2个槽”,这两个槽在圆柱的端面上还是在轴截面上?
  “2个槽和基准之间成30度角度”,2个槽与哪个基准成30°角度?与A、B、C三个基准要素都成30度角度吗?
  “这2个槽相对于基准A,B,C的位置度”,A、B、C三个基准要素分别是什么?是圆柱轴心线,还是圆柱端面,还是零件的其它平面和直线?图纸标注的基准要素到底是几个?理论正确尺寸除了30°角度以外,还有没有长度尺寸?
回复 支持 反对

使用道具 举报

 楼主| xizi 发表于 2012-1-28 10:20:02 | 显示全部楼层
补充:这是图纸,由于上传不了PDF,所以压缩了!请大家讨论下,角度位置度的正确测量方法!我们用到的公式是余弦定理,a^2=b^2+c^2-2bc*cosA ,通过这个计算任意三角形的一边!

2d drawing.rar

622.37 KB, 下载次数: 57, 下载积分: 金币 -1

回复 支持 反对

使用道具 举报

wangruichao 发表于 2012-1-28 20:56:54 | 显示全部楼层
回复 3# xizi


    你截个图嘛,不然别人帮你解决问题还得花金币。
回复 支持 反对

使用道具 举报

yj407 发表于 2012-1-29 23:46:21 | 显示全部楼层
本帖最后由 yj407 于 2012-1-29 23:47 编辑

那个画圈的位置度可是那两个凸台吗?图纸太小看不太清楚。不过测法很简单
1、以A、B、C按三基面体系建好基准。
2、测量两个被测要素,并构造出中点。
3、以极径极角方式评价分别评价仅角度方向的位置度即可。(注意最大实体原则)
关于此工件以角座标方式评价的位置度公式如下:
设理论极径和实际极径相等,都为实测值R,理论极角为A,实测极角为a 根据余弦定理其位置度为:
2*sqrt(R^2+R^2-2*R*R*cos(A-a))
回复 支持 反对

使用道具 举报

 楼主| xizi 发表于 2012-2-29 16:01:47 | 显示全部楼层
回复 5# yj407


   


类似这样的图纸,请问版主:角度位置度,你说的那余弦定理公式,半径R都是用理论值吗?不考虑R的实测值?请问这样的公式有没有国标规定,我们客户经常提这个角度位置度。
回复 支持 反对

使用道具 举报

 楼主| xizi 发表于 2012-2-29 16:06:53 | 显示全部楼层
回复 5# yj407

1

1

2

2

3

3
回复 支持 反对

使用道具 举报

yj407 发表于 2012-2-29 21:42:58 | 显示全部楼层
此图的位置度公差没有加直径,所以要求的是单方向(即角度方向)的位置度偏差。所以计算这个位置度偏差要把极径偏差去掉。这是位置度的一种计算方法,属于基础知识,标准不会去规定这些东西的。
回复 支持 反对

使用道具 举报

luozipeng 发表于 2013-2-1 12:18:30 | 显示全部楼层
我没见像图中基准B和C的这标法。请知道的量友解释一下谢谢!
回复 支持 反对

使用道具 举报

luozipeng 发表于 2013-2-1 12:29:07 | 显示全部楼层
回复 8# yj407
前辈请问图纸中基准B与基准C的标注法是应该怎样理解
回复 支持 反对

使用道具 举报

您需要登录后才可以回帖 登录 | 立即注册

本版积分规则

Archiver|手机版|小黑屋|计量论坛 ( 闽ICP备06005787号-1|闽公网安备35020602000072号 )
电话:0592-5613810 QQ:473647 微信:gfjlbbs 原国防计量论坛(-=始于2005年=-)

GMT+8, 2026-4-18 16:33

Powered by Discuz! X3.5

© 2001-2026 Discuz! Team.

快速回复 返回顶部 返回列表