找回密码
 立即注册

QQ登录

只需一步,快速开始

搜索

[工程参量] 大家看下这个图纸

[复制链接]
wangruichao 发表于 2012-3-4 17:30:08 | 显示全部楼层 |阅读模式
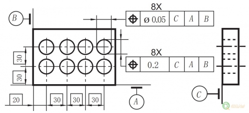
今天在其他论坛上看到这个图纸,觉得比较奇怪,从来没有见过有这样标注的图纸。转过来,大家一起看看!
1433157ellrvd7ecpvrf23.jpg
郭睿 发表于 2012-3-5 10:51:03 | 显示全部楼层
看不懂,是什么图纸啊?
回复 支持 反对

使用道具 举报

八一八 发表于 2012-3-5 11:38:24 | 显示全部楼层
回复 支持 反对

使用道具 举报

daojianxiu 发表于 2012-3-5 18:31:49 | 显示全部楼层
本帖最后由 daojianxiu 于 2012-3-5 18:35 编辑

个人觉得这两个位置度标注,其中有一个(本人倾向为0.05那个)的标注多了一个C,实际的要求应该是在C表面上,孔中心的位置度相对于AB为0.05,但是这个孔相对于C表面会有一定的垂直度,所以对于孔的轴线规定相对于CAB位置度为0.2。我们在实际中,就碰到过对孔的一次侧有位置度要求,对孔相对于一次侧有垂直度要求。
楼主的这个图,应该要求的是在C表面上,圆的中心的位置度为0.05;在CAB坐标体系内,孔的轴线位置度为0.2.
回复 支持 反对

使用道具 举报

yj407 发表于 2012-3-5 18:46:25 | 显示全部楼层
这图纸没什么特别的,标注的很规范。它只不过是要对每个孔在两个方向上有不同的位置度要求而已。测量时按C、A、B建好座标系后,对每个孔分别评价X和Y方向的位置度即可(设C面位Z工作平面)。
回复 支持 反对

使用道具 举报

daojianxiu 发表于 2012-3-5 19:32:48 | 显示全部楼层
这图纸没什么特别的,标注的很规范。它只不过是要对每个孔在两个方向上有不同的位置度要求而已。测量时按C ...
yj407 发表于 2012-3-5 18:46


图中以Φ标注,应该是包括了全方位的一个圆柱,并不是仅以某一方向来说的。位置度如果需要规定方向,应该是在后面的相对基准里面做限制,不是通过标注的上下左右来确定。
回复 支持 反对

使用道具 举报

 楼主| wangruichao 发表于 2012-3-5 22:51:47 | 显示全部楼层
回复 5# yj407
版主有没有注意到两个位置度的公差带形状不一样哦,对于0.2的这个位置度应该怎样理解呢?是指的孔德轴线吗?
回复 支持 反对

使用道具 举报

yj407 发表于 2012-3-5 22:52:15 | 显示全部楼层
本帖最后由 yj407 于 2012-3-5 23:01 编辑
图中以Φ标注,应该是包括了全方位的一个圆柱,并不是仅以某一方向来说的。位置度如果需要规定方向,应该 ...
daojianxiu 发表于 2012-3-5 19:32

     单方向的位置度的公差带宽度方向位于公差框格指引线箭头的方向上。
     这个图纸标注的非常规范,这个图与GB-T 1182-2008 《产品几何技术规范(GPS)几何公差 形状、方向、位置和跳动公差标注》中的例图几乎一模一样。此标准对该图的位置度有非常详细的解释,建议楼上的朋友好好的看一下吧
回复 支持 反对

使用道具 举报

yj407 发表于 2012-3-5 22:59:04 | 显示全部楼层
本帖最后由 yj407 于 2012-3-5 23:06 编辑
回复  yj407
版主有没有注意到两个位置度的公差带形状不一样哦,对于0.2的这个位置度应该怎样理解呢?是指 ...
wangruichao 发表于 2012-3-5 22:51

  这是典型的单方向的位置度,其两个位置度公差带为:
对于0.2的位置度:被测孔轴线的位置度的公差带是垂直于A基准方向的,其公差带宽为0.2
对于0.05的位置度:被测孔轴线的位置度的公差带是平行于A基准方向的,公差带宽为0.05
回复 支持 反对

使用道具 举报

daojianxiu 发表于 2012-3-5 23:47:24 | 显示全部楼层
问题就出在0.05这个位置度上,前面有一个Φ,公差带表示的是一个圆柱,但是因为两个位置度的基准都是一样的,所以0,05和0,2明显无法同时满足,在本图中,满足0,05肯定就满足了0,2的位置度,但是满足0,2的位置度不一定满足0,05的位置度,所以如果真如本图所标注,那么0,2这个位置度就是多余的。
另,因一直以来从未遇到过不标注Φ的位置度,对于单方向位置度的理解确实不怎么注意,多谢版主提醒。
回复 支持 反对

使用道具 举报

ccl 发表于 2012-3-6 13:50:39 | 显示全部楼层
这图纸没什么特别的,标注的很规范。多学学GB-T 1182-2008 《产品几何技术规范(GPS)几何公差 形状、方向、位置和跳动公差标注》。
回复 支持 反对

使用道具 举报

daojianxiu 发表于 2012-3-6 21:17:49 | 显示全部楼层
GB-T 1182-2008 《产品几何技术规范(GPS)几何公差 形状、方向、位置和跳动公差标注》中 18.12.2 图123,图124,图125的例子明显与楼主的图不一样,楼主的图肯定是标注有问题,要么把0.05前面的Φ去掉,要么把0.2这个位置度去掉。

1182.JPG

评分

参与人数 1金币 +6 收起 理由
yj407 + 6 认同观点

查看全部评分

回复 支持 反对

使用道具 举报

yj407 发表于 2012-3-6 22:35:28 | 显示全部楼层
楼上的朋友确实非常仔细,这个图纸的标注确实存在矛盾的地方,我同意楼上的观点:)
回复 支持 反对

使用道具 举报

berek 发表于 2012-3-7 10:55:58 | 显示全部楼层
标准图样的标注,正常。只是日常光绘图中我们简化了。
回复 支持 反对

使用道具 举报

规矩湾锦苑 发表于 2012-4-1 17:26:39 | 显示全部楼层
本帖最后由 规矩湾锦苑 于 2012-4-1 17:29 编辑

  楼主的心很细,的确这张图的标注出了问题。
  赞成12楼的说法,基准要素的标注没有问题,问题出在被测要素的标注。
  楼主案例的被测要素是8个孔的轴心线,轴心线的位置度公差带形状可以是一个圆柱(任意方向时),也可以是一个四棱柱(限定两个方向时)。如果要表述被测轴心线位置度处在一个圆柱形公差带区域内,就不能在两个方向上分别给出公差值,因为一个圆柱的直径大小只能是一个值,而不可能是两个值。如果要表述被测轴心线位置度处在一个四棱柱形公差带区域内,就应该给出四棱柱截面的长和宽,而长和宽的标注不可能出现“Φ”,“Φ”是用于圆或者圆柱直径标注的专用符号。
回复 支持 反对

使用道具 举报

郭振伟 发表于 2013-5-4 15:43:34 | 显示全部楼层
不是很明白,位置标注还有这样的
回复 支持 反对

使用道具 举报

lcatei 发表于 2013-5-8 10:09:55 | 显示全部楼层
看公差,必须看公差带,即从公差带的大小、形状、方向和位置来看

大小:由公差值决定
形状:由公差带前面是否带的符号决定,如直径符号、 球径符号等。如果没有,一般就是二平行平面或二平行线的区域了
方向:由基准或基准体系来确定,以及箭头方向来确定
位置:由基准或基准体系,以及理论正确尺寸来确定
回复 支持 反对

使用道具 举报

lcatei 发表于 2013-5-8 10:10:23 | 显示全部楼层
本帖最后由 lcatei 于 2013-5-8 10:13 编辑

这张图是有误的,国家标准中很明确。请大家注意,国家标准中,二个公差后面的基准是不一样的
回复 支持 反对

使用道具 举报

您需要登录后才可以回帖 登录 | 立即注册

本版积分规则

Archiver|手机版|小黑屋|计量论坛 ( 闽ICP备06005787号-1|闽公网安备35020602000072号 )
电话:0592-5613810 QQ:473647 微信:gfjlbbs 原国防计量论坛(-=始于2005年=-)

GMT+8, 2026-4-16 17:31

Powered by Discuz! X3.5

© 2001-2026 Discuz! Team.

快速回复 返回顶部 返回列表