找回密码
 立即注册

QQ登录

只需一步,快速开始

搜索

[工程参量] 请教一个图上轮廓度 和位置度的测量方法!

[复制链接]
cross 发表于 2012-9-23 13:15:01 | 显示全部楼层 |阅读模式
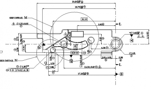
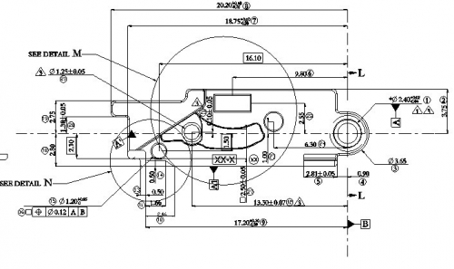
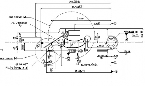
本人新接触这类测量!请教一下图纸上 16位置度 和 31线轮廓度尺寸的测量方法!
公司只有影像测量仪 请问可以测量吗?

图1

图1

图2

图2
 楼主| cross 发表于 2012-9-23 17:15:16 | 显示全部楼层
怎么没有人?
回复 支持 反对

使用道具 举报

yj407 发表于 2012-9-23 23:14:24 | 显示全部楼层
1、确认一下,B基准指的是哪里?
2、你单位的影像测量仪可是有带测头的,若没有如你该工件被测面较厚的话,单凭影像是测不准的。
回复 支持 反对

使用道具 举报

 楼主| cross 发表于 2012-9-26 09:29:25 | 显示全部楼层
B基准好像是在圆心的X轴上
测头坏啦
不过工件不厚!
回复 支持 反对

使用道具 举报

您需要登录后才可以回帖 登录 | 立即注册

本版积分规则

Archiver|手机版|小黑屋|计量论坛 ( 闽ICP备06005787号-1|闽公网安备35020602000072号 )
电话:0592-5613810 QQ:473647 微信:gfjlbbs 原国防计量论坛(-=始于2005年=-)

GMT+8, 2026-4-18 16:33

Powered by Discuz! X3.5

© 2001-2026 Discuz! Team.

快速回复 返回顶部 返回列表